Як тільки Ваш відгук пройде модерацію, ми розмістимо його на сторінці товару
інтернет магазину
- Пн-Пт: 08:00 до 18:00
- Сб: 09:00 до 16:00
- Нд: Вихідний
- Кременчук
- Горішні Плавні
- Світловодськ
Акції
-
Загальнобудівельні матеріали -
Фасад, покрівля та утеплення -
Гіпсокартонні системи -
Інструменти- Дрилі
- Фени будівельні
- Кутові шліфмашини
- Перфоратори та відбійні молотки
- Компресори та комплектуючі
- Дрилі-шуруповерти
- Рубанки та фрезери
- Пістолети клейові та стрижні клейові
- Дискові та торцеві пили
- Міксери будівельні
- Електроточила
- Будівельні пилососи
- Промислові обігрівачі
- Лобзики
- Бетонозмішувачі
- Електроплиткорізи
-
Будівельні суміші -
Побутова техніка -
Лакафарбні матеріали та будхімія -
Плитка керамічна -
Товари для відпочинку та туризму -
Оздоблювальні матеріали -
Електрообладнання та освітлення -
Покриття для підлоги -
Опалення та водопостачання -
Сантехніка -
Кріплення, метизи і такелаж- Заклепка витяжна, стандартна головка A2/A2 (нерж/нерж)
- Заклепка витяжна, стандартна головка Al/Al (алюміній/алюміній)
- Заклепка витяжна, стандартна головка Al/St (алюміній/сталь)
- Заклепка витяжна, стандартна головка St/St (сталь/сталь)
- Заклепка витяжна, стандартна головка пофарбована в RAL Al/St (алюміній/сталь)
- Кільце оцинковане
- Блок одинарний і подвійний з підшипником
- Карабіни (U-подібні, пожежні, пружинні з вертлюгом і оцинковані)
- Рим-гайки/Рим-болти
- Талреп DIN1480 ЦБ
- Ланцюги (коротколанцюгові, довголанцюгові та декоративні)
- Троси (нерж, в ПВХ оболонці, оцинковані)
- Затискач для тросів (DIN741, БЦ, А4)
- Ручні лебідки та таль ланцюгова
- Коуш для троса
- Вертушка оцинкована
- Гак S-подібний
-
Товари для дому, саду та городу -
Меблі
- Головна
- Електрообладнання та освітлення
- Електротовари
- Низьковольтне обладнання
- Диференціальні реле (УЗО) та диференціальні автомати (АВДТ)
- Пристрій захисного відключення (ПЗВ) HAGER 2п 25А 30mA A
Пристрій захисного відключення (ПЗВ) HAGER 2п 25А 30mA A
Наявність
🚚 Доставка
Вартість від 250 грн.
Вартість от 70 грн.
Вартість від 35 грн.
Оплата
Характеристики Пристрій захисного відключення (ПЗВ) HAGER 2п 25А 30mA A
Основні характеристики
Фізичні характеристики
Інформація Пристрій захисного відключення (ПЗВ) HAGER 2п 25А 30mA A
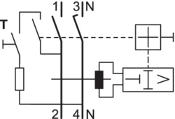
Модульний пристрій захисного відключення з номінальним струмом 40А Hager призначений для відключення ділянки мережі при досягненні струму витоку 30 мА на землю. ПЗВ застосовується для захисту людей від ураження електричним струмом при контакті з струмопровідними частинами, що опинилися під напругою. Також воно застосовується для захисту обладнання від пожеж внаслідок порушення ізоляції проводки. Як і інші модульні пристрої, пристрій встановлюється на стандартну 35 мм дин-рейку в щит за допомогою клямок. Напруга живлення змінного струму може подаватися як з боку верхніх, так і нижніх контактів. Необхідно суворо дотриматися підключення нульового провідника до зазначеної клеми. Монтаж, налаштування та підключення повинні здійснюватись тільки кваліфікованим електротехнічним персоналом.












Моя оцінка:
* Усі відгуки проходять перевірку модераторами, тому ваш відгук з'явиться на сайті не відразу